聚氨酯联盟网 - 东莞市佳高信息科技有限公司

 找回密码
 免费注册
http://www.51qiguang.com/
查看: 36|回复: 0

瑞华技术:BDO工艺包技术获发明专利

[复制链接]
海绵宝宝 发表于 2025-11-21 09:56:43 | 显示全部楼层 |阅读模式 来自: 中国广东东莞

2025年11月18日,瑞华技术公告称,公司近日收到国家知识产权局下发的1项发明专利证书,专利名称为一种BDO精制过程中脱水反应除缩醛的方法及系统。

背景技术

目前,BDO的主要的生产方法有:炔醛法、顺酐法、丁二烯法和环氧丙烷法。目前国内BDO生产企业基本采用炔醛法和顺酐法。而不管用什么方法生产BDO,都会无法避免的生成各种缩醛类物质,炔醛法会产生羟基丁醛和乙缩醛,顺酐酯化加氢法会产生缩醛2‑(4‑羟基丁氧基)四氢呋喃(HBTHF),这些都是难以从BDO产品中分离的杂质,特别是HBTHF和BDO形成共沸,普通的精馏难以从BDO产品中分离出HBTHF,往往只能牺牲掉这部分共沸物中的BDO,以保证BDO主产品的纯度合格。

大部分专利中纯化1,4‑丁二醇的方法可分为加氢和脱氢两种方法。加氢除缩醛的方法是将所有含有HBTHF的粗BDO产品在特定的加氢催化作用下加氢,将缩醛转化为BDO,再精馏分离得到纯度合格的BDO产品。脱氢除缩醛的方法是将含有HBTHF的部分BDO粗产品在临氢和脱氢催化剂作用下将BDO脱氢反应转化为γ‑丁内酯,再通过精制γ‑丁内酯除去缩醛。加氢的方法需将生产过程所有BDO粗产品进行加氢处理,能耗较高。脱氢的方法需要在临氢的条件下反应,需要使用循环氢压缩机,流程比较复杂,操作条件比较苛刻。

发明内容

本申请的主要目的在于提供一种BDO精制过程中脱水反应除缩醛的方法及系统,将1,4‑丁二醇生产过程中BDO产品塔顶的共沸物通过BDO脱水反应生成THF,精馏分离出缩醛,并回收副产品四氢呋喃。本发明工艺流程短,能耗低,可回收具有更高经济价值的THF产品,提高1,4‑丁二醇生产装置的经济效益。

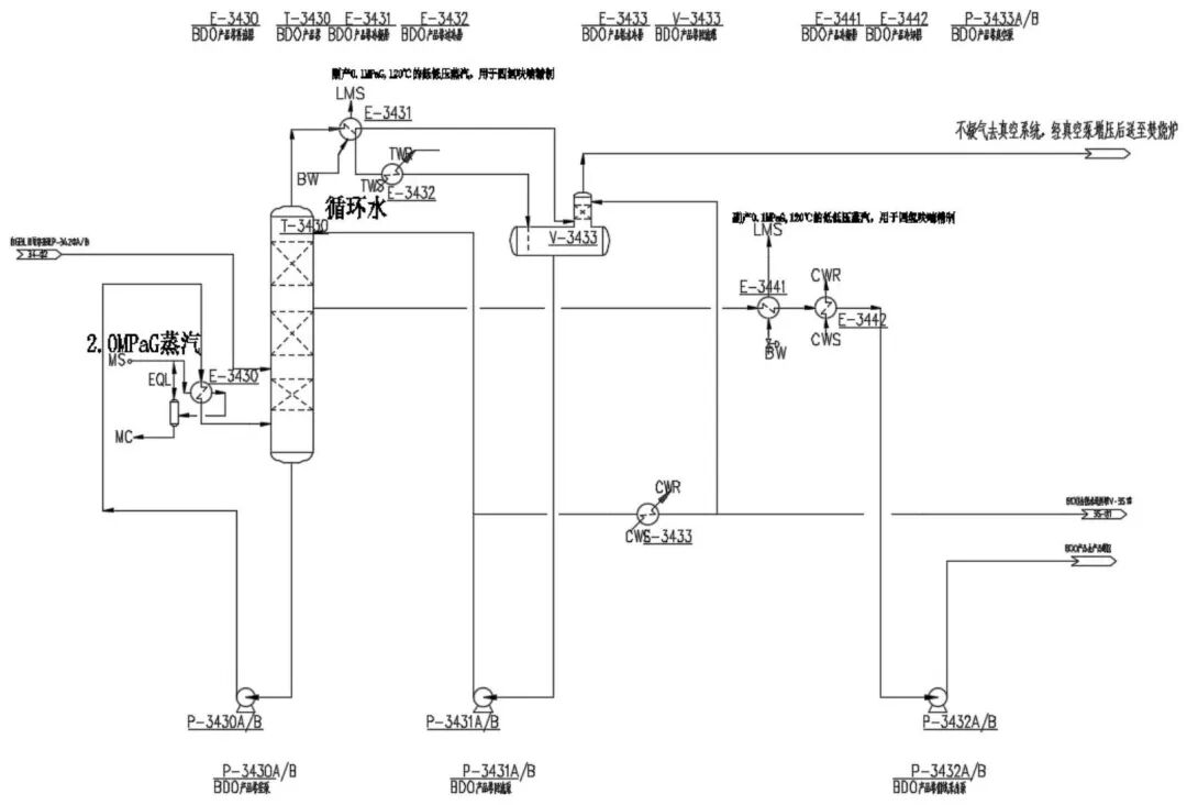
第一方面,本申请提供了一种BDO精制过程中脱水反应除缩醛的方法,包括以下步骤:

①将BDO生产过程中BDO产品塔顶的共沸物换热后进入汽化器进行汽化,汽化后的物料经过加热后进入脱水反应器反应,未被汽化的物料经脱水汽化循环泵增压后输送至脱水加热器进行加热,加热后的物料返回至所述汽化器,未被汽化的重组分输送至废液罐;

②将汽化的物料从脱水反应器顶部进入,通过脱水反应器内的催化剂进行脱水反应,反应产物从脱水反应器的底部离开,所述脱水反应包括脱水主反应和脱水副反应,所述脱水主反应为一分子的BDO分子内脱水生成一分子的四氢呋喃和一分子的水,所述脱水副反应为两分子的BDO分子间脱水生成一分子的一缩二丁二醇和一分子的水;

③脱水反应后的反应产物经过换热器冷却后进入THF回收塔,THF塔顶的气相经过气相冷凝后,不凝气输送至焚烧炉进行焚烧,凝液进入THF回收塔回流罐,经过THF回收塔回流泵增压后,一部分凝液被输送至THF回收塔顶部,另一部分凝液输送至THF产品精制单元进行精制,THF回收塔的塔釜的废水输送至界外水处理装置进行水处理。

第二方面,本申请提供了一种BDO精制过程中脱水反应除缩醛的系统,包括汽化及脱水组件、产品精馏组件,

其中所述汽化及脱水组件包括汽化器、与所述汽化器的顶部相连接的脱水进料预热器、顶部与所述脱水进料预热器相连接的脱水反应器、与所述脱水反应器的底部相连接的脱水换热器,所述脱水换热器连接有原料进口,所述汽化器上连接有蒸汽接口,所述汽化器的底部连接有脱水汽化器循环泵,所述脱水汽化器循环泵与脱水加热器以及废液罐相连接,所述脱水加热器与所述汽化器相连接;

所述产品蒸馏组件包括THF回收塔、与所述THF回收塔的塔顶相连接的THF回收塔冷凝器、与所述THF回收塔冷凝器相连接的THF回收塔回流罐、与所述THF回收塔冷凝器以及所述THF回收塔回流罐相连接的焚烧炉、与所述THF回收塔回流罐相连接的THF回收塔回流泵、所述THF回收塔的塔釜连接有THF回收塔釜泵,所述THF回收塔釜泵连接有界外水处理装置,所述THF回收塔回流泵分别与所述THF回收塔以及精制单元相连接。

20251121093736_9117.jpg

该发明能够更节能有效地脱除BDO产品中多种缩醛,有助于提升BDO(1,4-丁二醇)产品纯度与提高生产装置的经济效益。同时,本项发明与脱氢除缩醛工艺相比具有设备投资更低、反应条件更温和、分离更简单以及催化剂使用寿命更长的显著优势。

公告称,本成果提升了公司BDO工艺包的技术竞争力,并为公司未来开拓高端聚合物等下游业务领域奠定了基础。


周五总结一周
您需要登录后才可以回帖 登录 | 免费注册

本版积分规则

!jz_sgzt! !jz_xgzt! 快速回复 !jz_fhlb! !jz_lxwm!
  •  
  • 联系我们
  • 电话:0769 - 22329080
  • 微信:pu13790195533(聚氨酯技术联盟-黄小玲)
  • 微信:pu999pu(聚氨酯技术联盟-小熊)
  • 微信:pu51www(51找聚网-小李)
  •  

QQ||小黑屋|手机版|聚氨酯联盟网 ( 粤ICP备12003825号-2 )

GMT+8, 2026-1-23 16:41 , Processed in 0.121218 second(s), 26 queries .

Powered by Discuz! X3.4 Licensed

© 2001-2013 Comsenz Inc. 东莞市佳高信息科技有限公司

快速回复 返回顶部 返回列表